Projects
Showcasing detailed CAD work across Singapore.


Condominium
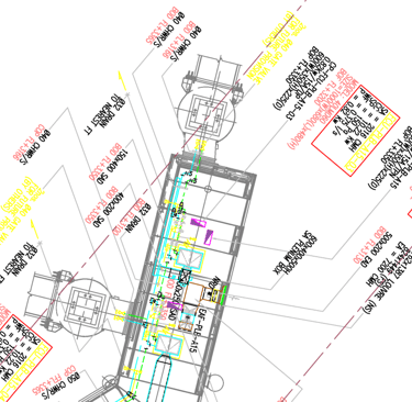
Precise 2D and 3D drafting for residential towers.
Commercial
Clear structural plans supporting smooth construction.
Industrial
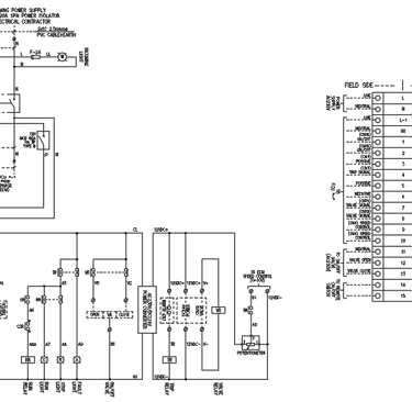
Detailed MEP layouts ensuring precise installations.
HDB
Accurate as-built drawings for housing projects.
→
→
→
→


Gallery
Showcasing precise drafting for diverse Singapore projects






